• Exercise Book Making Machines Manufacturer, Spare parts, and Material Supply

AUSCP FB-460

BOOK SPLITTING SAW

project-slider-image

sample-image

Introduction

FB-460 splitting saw, for splitting two-up book blocks of perfect bound or thread sewn books and brochures. To be used in book production lines in front of a three knife trimmer. Equipped with in feed belt from right side or left side.

Function

  • In-feed system: Comprising a conveyor belt and acceleration wheels, this system reliably and accurately transports the glued book block into the machine’s storage hopper.
  • Conveyance System: Books in the storage hopper are moved with a chain pusher and a synchronized belt, precisely delivering them to the circular saw cutting assembly.
  • Splitting Assembly: Powered by a variable frequency drive motor and equipped with a circular saw, this assembly splits the twin books into individual units. It also features an optional side saw for more specialized cuts.
  • Out-feed System: After splitting, the books are moved along a conveyor belt to the next stage of production.

Function and Features

  • User-friendly Storage Hopper: This feature is reliable and easy to adjust. It can also be reoriented based on the layout of the customer's site.
  • Versatility: The machine accommodates both fully bound books and semi-finished books with glued spines for twin-book splitting.
  • High-Powered Motor: Equipped with a high-speed, high-powered motor, the machine offers fast splitting speeds, minimal cutting errors, and optimal safety features.
  • Efficient Debris Collection: The machine uses an upper and lower debris suction method for effective waste collection. This allows for easy separation and recycling of paper edges and debris.

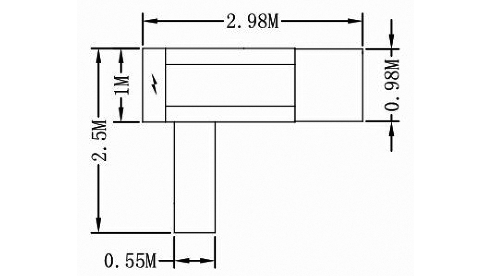
Specification

Mechanical Speed 1000 – 6000 books per hour
Power Consumption 14,75 KW
Standart Voltage 380V 220V, 50Hz
Operating Current 3A
Dimensions (length x width x height) 2980 x 900 x 2500 mm
Net Weight 1000 Kg

L L1 / L2 W T M
Max 460mm 230mm 285mm 60mm 3mm
Min 285mm 140mm 95mm 5mm 2mm

Please contact us for sample images!

Interested with this product.